RAF 500S Art nr Show models Hide models
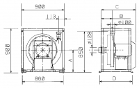
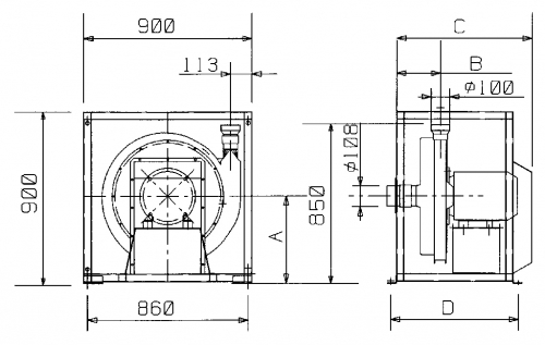
The RAF 500S is for application in extraction systems for lighter dust, ie: wood dust. It is a twin wheel, series connected unit. The unit is direct drive and has minimal service requirements. (Lubrication interval 10000 hours.)
| Motor | kW/HP | 5.5 kW/10 HP |
| Pump RPM | rpm | 3000 |
| Weight ca | kg | 150 |
| Max dp | kPa | 9.5 |
| Max Q | m3/h | 1100 |
| Sound Level* | dB(A) | |
| without silencing enclosure | 79 | |
| with silencing enclosure | 66 | |
| Inlet/Outlet | mm | 108/100 |
* with exhaust silencer, 1 m
United Kingdom
Sverige
Deutschland
Suomi
Austria
United States
.com
France 
01327 858002
