An effective tubing system has to meet certain requirements. Constant transport velocity in the tubing at different loads is one requirement. Correct transport velocity is another. When the velocity is too low, the material will cause a blockage. When the velocity is to high, this will lead to unnecessary wear and loss of energy. Dustcontrol's competent staff can dimension a system to your needs.
When transporting material in a tubing system turbulent flow will cause noise. Material particles impact the hard tubing walls. Using an elastomer (EPDM- and NBR-rubber) in bends, branch pipes and mounting brackets moderates the sound considerably.
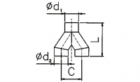
Bends and branch pipes are designed to withstand high negative pressure. The bends are designed with a radial ridge to spread the impact area of the mateial thereby reducing wear and minimizing the risk of blockage.
Every elastomer bend and branch pipe are designed with a plugged hole, that can be used for measuring and inspection. The advantages with the elastomer tubing system are:
- Low noise
- Blockage risk reduced
- Reduced wear
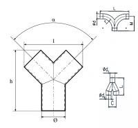
The measurements are in millimeter if nothing else is given.
| Part No | Desc. | Material | α |
Ø | l | h | t | m(kg) |
| 3324 | Ø 50 | Steel 1 | 90o | 50.8 | 150 | 175 | 1.5 | 0.42 |
| 3331 | Ø 50 | Stainless2 | 90o | 50.8 | 150 | 175 | 1.5 | 0.42 |
| 3323 | Ø 76 | Steel 1 | 90o | 76 | 190 | 195 | 1.5 | 0.68 |
| 3330 | Ø 76 | Stainless2 | 90o | 76 | 190 | 195 | 1.5 | 0.68 |
| 3322 | Ø 108 | Steel 1 | 90o | 108 | 235 | 225 | 2.0 | 1.4 |
| 3329 | Ø 108 | Stainless2 | 90o | 108 | 235 | 225 | 2.0 | 1.4 |
| 3066 | Ø 159 | Steel 1 | 180o | 159 | 850 | 505 | 4.5 | 2.3 |
| 3067 | Ø 159 | Steel 1 | 0o | 159 | 850 | 458 | 2.0 | 6.0 |
1Carbon Steel Zink Coated, 1311.
2Stainless steel SS2333/Grade 1.4301/DIN X 5 CrNi 1810/UNSS30400/AFNOR Z 6 CN 18.09/ANSI 304/BS 304S15.
3Rubber, EPDM.
4Rubber, NBR.
5Reinforced Spiral Tubing.
United Kingdom
Sverige
Deutschland
Suomi
Austria
United States
.com
France 
01327 858002
