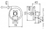
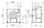
Radial blowers
Dustcontrol fans are radial blowers, air is introduced at the center of the fan wheel and forced outward with centrifugal force toward the fan housing. These fans can be operated fully restricted in a ”free-wheeling” condition without adverse effect and can therefore be operated without vacuum relief valves. The fans are designed for pressure and are overloading type units. They cannot be operated without being connected to the restriction of a tubing system. Operation above their maximum rated flow will result in overloading and the motor protection will trip out. To limit the power surge at start-up, install a shutter valve on the inlet which should be closed when the fan starts.
United Kingdom
Sverige
Deutschland
Suomi
Austria
United States
.com
France 
01327 858002
