Fume Extraction Arm Art nr Show models Hide models
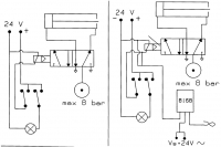
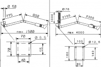
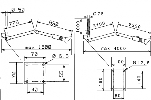
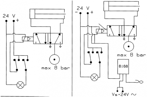
Extraction arm for welding fume etc. This articulated arm is easily adjusted to the correct working position. The hood is equipped with a 24 V 50 W halogen work lamp and dual switches for lamp and Shutter Valve El control. The 76 mm Extraction arm should always be installed with 1 m of 76 mm hose between the arm and tubing system.
| TECHNICAL DATA | Qnom | pnom |
| Ø76 | 400 m3/h | 3 kPa |
In high pressure systems, the extraction arms may require a restrictive plate to compensate pressure for suitable air flow.
United Kingdom
Sverige
Deutschland
Suomi
Austria
United States
.com
France 
01327 858002
