RAF 2501 Art nr Show models Hide models
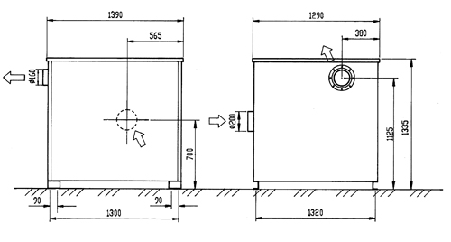
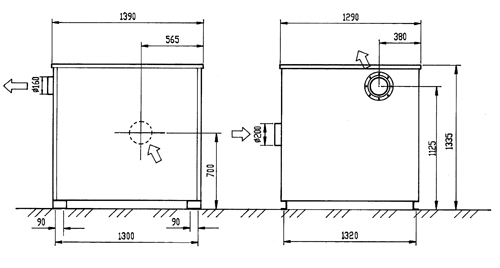
The RAF 2501 is applied in extraction systems requiring large air-flows for lighter types of dust and cleaning. Pressure generation is achieved through two series connected stages. The unit is equipped with vibration isolation and a silenced enclosure. The unit should always be equipped with an exhaust silencer (inlet also if required). The unit is direct driven and has minimal service requirements (lubrication interval 10000 hours).
| Pump RPM for 50Hz/60Hz | rpm | 3000/3600 |
| Weight ca | kg | 440 |
| Max dp | kPa | 17 |
| Max Q | m3/h | 3300 |
| Sound Level* | dB(A) | 74 |
| Inlet/Outlet | mm | 200/160 |
* with exhaust silencer, 1 m
United Kingdom
Sverige
Deutschland
Suomi
Austria
United States
.com
France 

01327 858002
